Service "Construction"
服务“筑建”

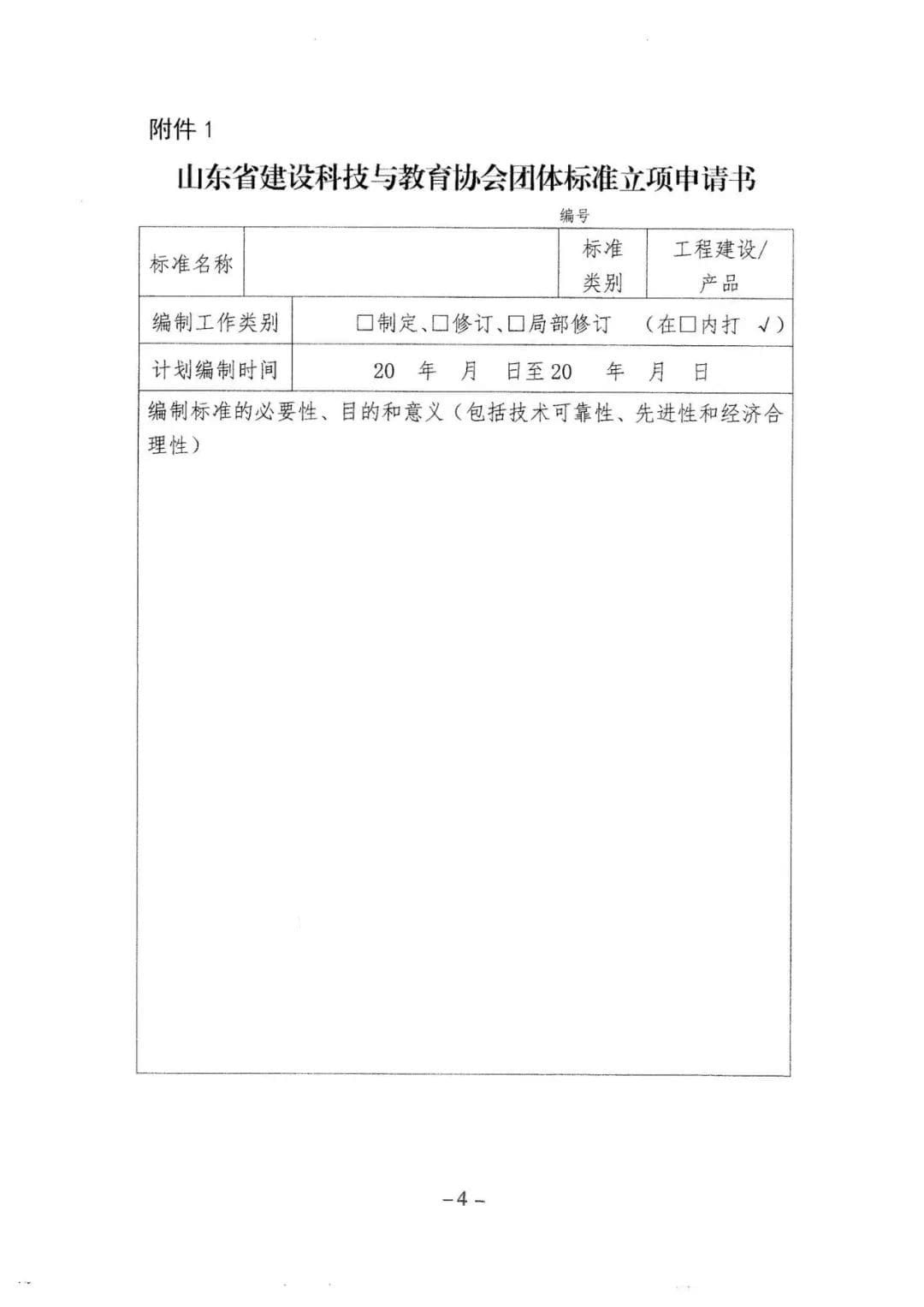
关于征集2020年度团体标准立项申请工作的通知

2020-09-15 02:49:46

文件:文件下载.doc


山东省建设科技与教育协会

联系电话:0531-87080801/02/03/05/06/07/08

地址:济南市市中区经四路小纬四路2号8楼

邮箱:sjskjxh@jn.shandong.cn